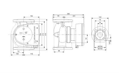
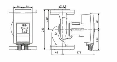
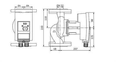
Flanşlı Sirkülasyon Pompaları Fiyatları ve Çeşitleri

 

Flanş bağlantılı ısıtma sirkülasyon pompaları, ısıtma sistemlerinde sıvı dolaşımını sağlamak için kullanılan önemli bir ekipmandır. Bu pompalar, genellikle endüstriyel tesislerden ticari binalara kadar geniş bir kullanım alanına sahiptirler.

Flanş bağlantılı ısıtma sirkülasyon pompaları, özel olarak tasarlanmış flanşlı bağlantıları sayesinde boru hatlarına kolayca monte edilebilirler. Bu bağlantılar, pompaları boru hatlarına sızdırmaz bir şekilde entegre etmeyi sağlar ve sistemdeki sıvının dolaşımını sağlayarak ısı transferini gerçekleştirirler.

Bu tür pompalar genellikle endüstriyel ısıtma sistemlerinde, ısıtma kazanlarından veya ısıtıcı cihazlardan aldıkları sıvıyı boru hatları boyunca taşırlar. Sistemdeki sıvının dolaşımını sağlayarak ısı transferini optimize ederler ve istenen sıcaklığa ulaşılmasını sağlarlar.

Flanş bağlantılı ısıtma sirkülasyon pompalarının çeşitli özellikleri bulunmaktadır. Bunlar arasında debi kapasitesi, basınç dayanımı, malzeme kalitesi gibi faktörler yer alır. Debi kapasitesi, pompaların belirli bir zamanda taşıyabileceği sıvı miktarını belirtirken, basınç dayanımı ise pompaların hangi basınç altında sorunsuz çalışabileceğini gösterir. Malzeme kalitesi ise pompaların dayanıklılığı ve kimyasal dayanıklılığı açısından önemlidir.

Bu pompaların tercih edilmesindeki nedenlerden biri de enerji verimliliği sağlamalarıdır. Modern flanş bağlantılı ısıtma sirkülasyon pompaları, düşük enerji tüketimi ile çalışarak ısıtma sistemlerinin daha verimli olmasını sağlarlar. Bu da hem enerji maliyetlerini düşürmeye hem de çevresel etkiyi azaltmaya yardımcı olur.

Sonuç olarak, flanş bağlantılı ısıtma sirkülasyon pompaları, endüstriyel tesislerden ticari binalara kadar geniş bir kullanım alanına sahiptirler. Isıtma sistemlerinde sıvı dolaşımını sağlayarak ısı transferini optimize ederler ve enerji verimliliği sağlayarak sistemlerin daha verimli çalışmasını sağlarlar. Pompa seçimi, kullanılacak ortama ve gereksinimlere göre dikkatlice yapılmalıdır, böylece sistem performansı maksimum düzeyde olabilir.

 

cultureSettings.RegionId: 0 cultureSettings.LanguageCode: TR
Çerez Kullanımı

Sizlere en iyi alışveriş deneyimini sunabilmek adına sitemizde çerezler(cookies) kullanmaktayız. Detaylı bilgi için Kvkk sözleşmesini inceleyebilirsiniz.